
|
Commodore 116

Owner: Michael Kathke
Location: Germany
Basically a prototype for the
C-16 and Plus/4 computers, the C116 was loaded with neat
features.
CPU:
- 7501 (6502 / 6510
compatible)
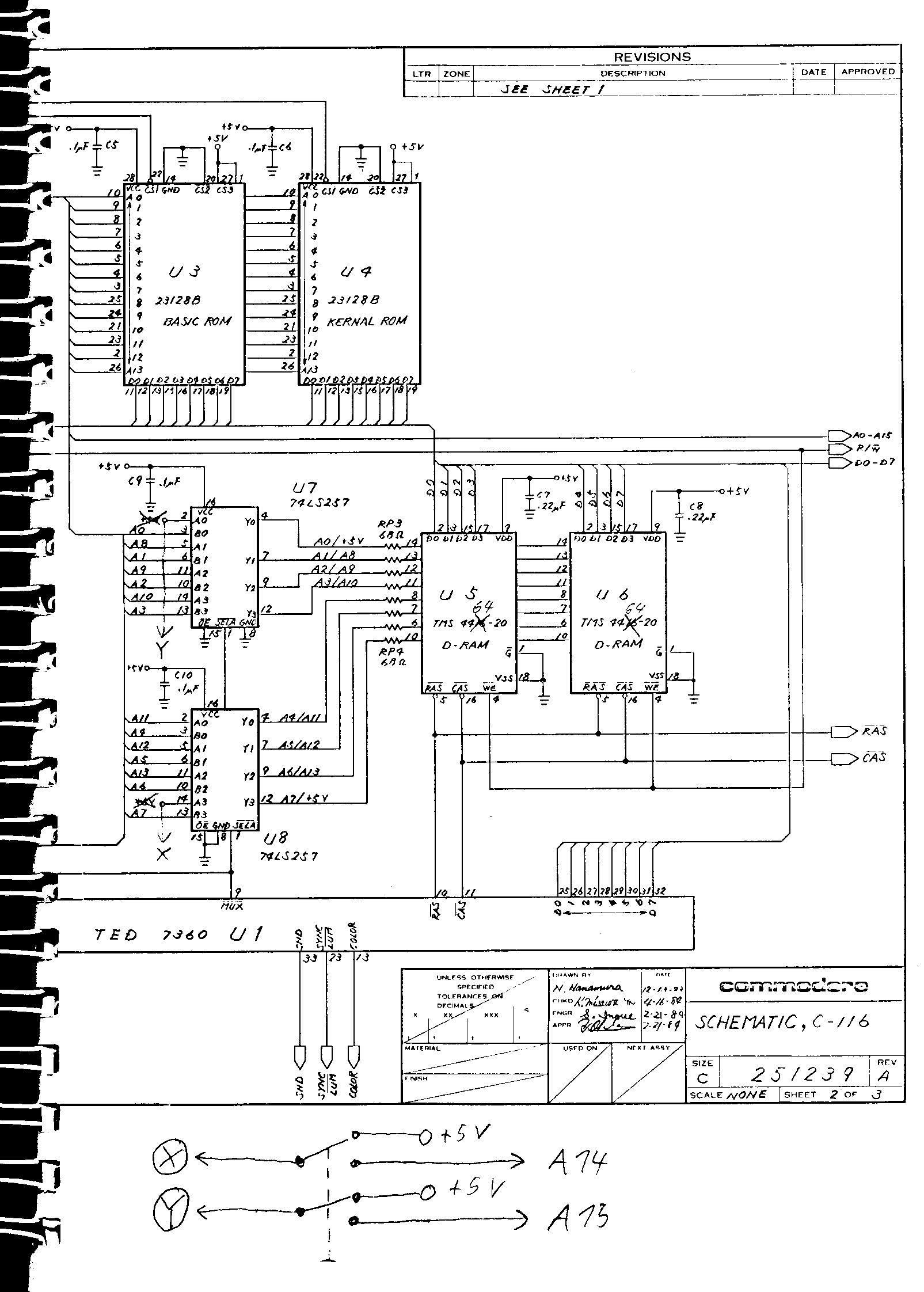
TED:
- 7360 (ACIA + Sound + Video)
RAM:
VIDEO:
- 40x25 character
- 121 colours
OTHER:
- Realtime clock
- Build in ASM
"TEDMON" :-)
- No serial port :-(
BASIC:
- CLOSE, CMD, DLOAD, DOPEN,
DSAVE, GET, GET#, GETKEY, INPUT, INPUT#, JOY,
LOAD, OPEN, POT, PRINT, PRINT#, PRINT USING,
PUDEF, READ-DATA, SAVE, VERIFY
- DEF-FN, DIM, DO-LOOP-[EXIT,
UNTIL, WHILE], END, FOR-TO-NEXT, GOSUB-RETURN,
GOTO, IF-THEN-[ELSE], LET, MONITOR
- NEW, ON-[GOSUB, GOTO], REM,
RESTORE, RUN, SYS, USR, WAIT
- FRE, PEEK, POKE
- BACKUP, COLLECT, COPY,
DIRECTORY, HEADER, INITIALIZE, NEW, RENAME,
SCRATCH, VALIDATE
- BOX, CHAR, CIRCLE, COLOR,
DRAW, GRAPHIC, LOCATE, PAINT, RCLR, RDOT, RGR,
RLUM, SCALE, WIDTH, GSHAPE, SSHABE
- SOUND, VOL
- CLR, POS, SCNCLR, SPC, TAB
- DS, DS$, EL, ER, ERR$,
RESUME, ST, TRAP
- ASC, CHR$, INSTR, LEFT$,
LEN, MID$, RIGHT$, STR$, VAL
- AUTO, CONT, DELETE, HELP,
KEY, LIST, RENUMBER, STOP, TROFF, TRON
- ABS, ATN, COS, DEC, EXP,
HEX&, INT, LOG, RND, SIN, SGN, SQR, TI, TI$,
AND, NOT, OR
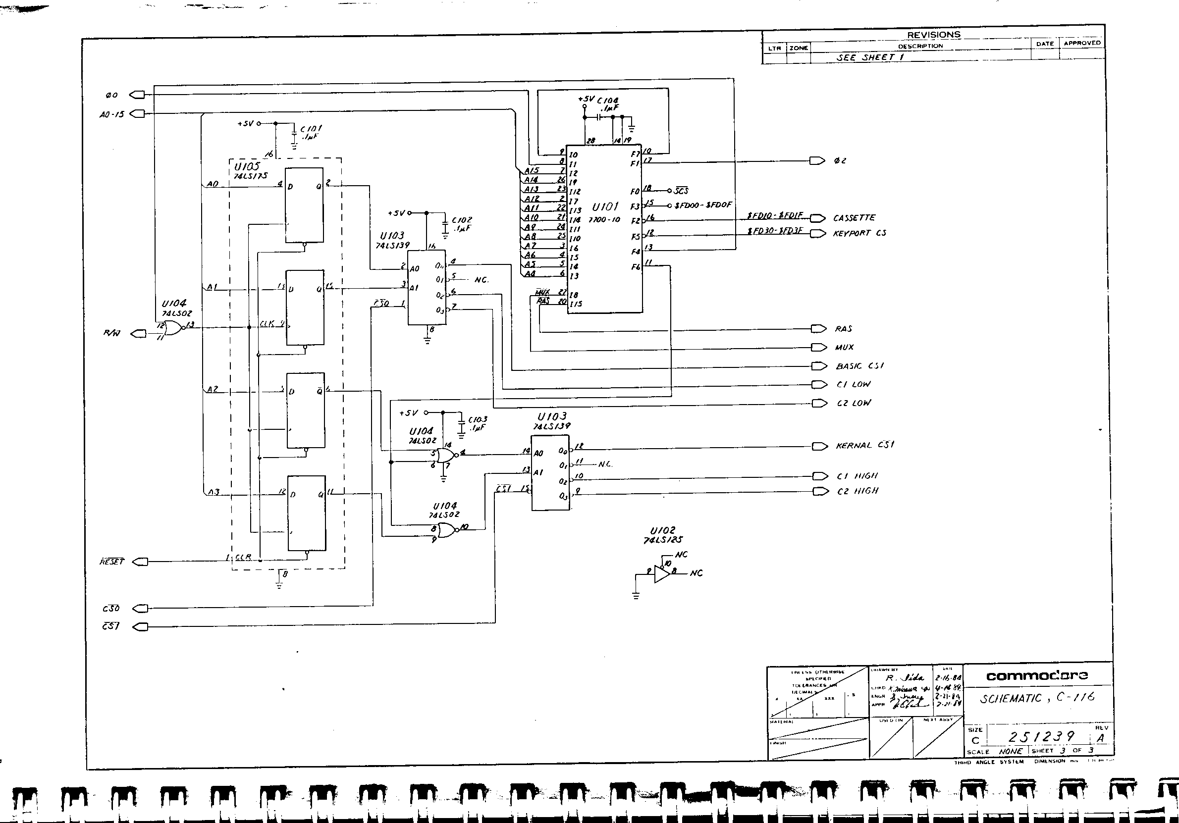
Upgrading the C116 from 16kB to
64kB:
- Lift "pin 14 from
U8" or cut PCB layer between 14 and 16 at U8
(+5V)
- Patch from "U2 pin 21
(A14)" to "U8 pin 14 (A3)"
- Lift "pin 2 from
U7" or cut PCB layer between 2 and 16 at U7
(+5V)
- Patch from "U2 pin22
(A15)" to "U7 pin 2 (A0)"
- Remove both RAM-Chips U5
and U6 "TMS 4416-20"
- Insert 4464 chips.
(NEC1464C15, TMS4464-15)
... 2B \/ 2B ... you have 60671
bytes free!
Upgrading the C116: View One & View Two
Most Recent Comments for the Commodore 116:
No comments yet submitted
Click here to view all comments for the Commodore 116 and to leave your own.
Click here to view comments about other Commodore computers.
Send comments to here! (Note the new address. Lots of space to hold photos sent my way.)
Back to the Museum!
|